
產品概述:
雷達液位計天線發射及窄的微波脈沖,這個脈沖以光速在空間傳播,遇到被測介質表面,其部分能量被反射回來,被同一天線接收。發射脈沖與接收脈沖的時間間隔與天線到被測介質表面的距離成正比。由于電磁波的傳播速度極高,發射脈沖與接收脈沖的時間間隔很小(納秒量級)很難確認,20X系列26G雷達液位計采用一種特殊的解調技術,可以準確識別發射脈沖與接收脈沖的時間間隔,從而進一步計算出天線到被測介質表面的距離。

技術優勢:
1.波束角小,能量集中,具有更強抗干擾能力,大大提高了測量精度和可靠性
2.天線尺寸小,便于安裝和加防塵罩等天線防護裝置
3.重量輕約1KG,便于安裝
4.測量范圍最高可達70米,覆蓋大型水庫等水位測量
5.多種輸出電路接口與采集系統配合
6.采用脈沖工作方式,雷達液位計發射功率極低,對人體及環境均無傷害
技術參數:
| 型號 | GJMD-202/204 |
| 應用場合 | 河道、湖泊、淺灘水位測量 |
| 測量范圍 | 30M/70m |
| 測量精度 | ±3mm |
| 過程溫度 | (-40~150)℃ |
| 過程壓力 | (-0.1~4 ) MPa |
| 頻率范圍 | 26GHz |
| 信號輸出 | RS485/Modbus 協議 |
| 供電方式 | 四線制(DC24V / AC220V ) |
| 現場顯示 | 默認顯示 |
| 殼體 | 鑄鋁、不銹鋼 |
| 天線結構 | 螺紋G1?? A / 支架/法蘭 |
| 天線材料 | 不銹鋼316L |
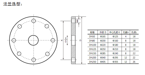
| 螺紋規格 | DN50/ DN80/ DN100不銹鋼法蘭/不銹鋼萬向節法蘭/螺紋 G1?A/不銹鋼316L 螺紋 1?NPT/不銹鋼316L |
| 防爆等級 | 標準型(非防爆)、本安型(Exia IIC T6)、 本安型+隔爆型(Exd [ia]ia IIC T6) |
| 防護等級 | IP67 / IP65 |
結構尺寸:



安裝


儀表線性

型號:GJMD-204
許可證
P 標準型(非防爆)
過程連接/材料
G 螺紋 G1?″ A /不銹鋼 304
N 垂直支架
M 龍門支架
Y 特殊定制
天線型式/材料
A 喇叭天線 Φ96mm/不銹鋼 304
B 喇叭天線 Φ121mm/不銹鋼 304
Y 特殊定制
密封/ 過程溫度
V 普通密封/(-40~150) ℃
電子單元
V RS485/Modbus/ 四線制
外殼/防護等級
L 鋁/IP67
G 塑料 /IP65
電纜進線
M M20 x l. 5
N ?″ NPT
現場顯示/編程
A 帶
X 不帶
地質監測儀表
活塞式壓力計/壓力源
- GM系列活塞式壓力計
- 臺式液體壓力源
- 臺式氣體壓力源
- 氣體活塞壓力計
- 活塞式壓力真空計
- YS改良型活塞壓力計
- 活塞式壓力計
- 電動微壓標準器
- 氣體減壓器校驗儀
- 氧氣表壓力表兩用校驗器
- 壓力表校驗器校驗儀
- 活塞壓力計數字顯示系統
- 空盒氣壓表檢定裝置
- 電動微壓源
- 全自動液體壓力源
- 管道試壓壓力天平
- 浮球壓力計
- 全自動活塞壓力計
- 便攜式液體壓力源
- 電動壓力源
液位儀表
- 80G超高溫雷達物位計
- 電廠專用四氟高頻雷達物位計
- 側裝磁翻板液位計
- 雷達水位計
- 26G油罐專用雷達液位計
- 26G強腐蝕雷達液位計
- 26G高頻雷達物位計
- 80G調頻雷達液位計
- 80G桿式射頻導納物位開關
- 液位顯示控制箱
- 投入式液位變送器
- 80G纜式射頻導納物位開關
- 桿式導波雷達
- 激光雷達料位計
- 連桿浮球液位計
- 靜壓式水準儀
- 河道浮子液位計
- 液位變送器
- 26G粉塵雷達物位計
- 26G高溫雷達物位計
密度計
- GJM-SHJ型石灰漿液在線密度計
- GJM-JJ型酒精在線密度計
- GJM-85管道密度計
- 差壓式密度計
- 分體式密度傳感器
- 濃度計
- 衛生型密度計
- 耐高溫音叉密度計
- 管道式音叉密度計
- 直管密度計
- 便捷式音叉密度計
- GJM-KG型(卡箍安裝形式)音叉式濃度計
- GJM-QFS氫氟酸專用濃度計
- GJM-YS鹽酸專用濃度計
- GJM-LS硫酸專用濃度計
- GJM-YS型鹽酸在線密度計
- GJM-KG型音叉式密度計(卡箍安裝形式)
- GJM-AS型氨水在線密度計
- GJM-XS硝酸專用濃度計
- GJM-NS型尿素濃度計
物聯網無線溫壓變送器
- Cat1無線溫度變送器
- loRa壓力變送器(高溫型)
- NB無線液位變送器
- NB無線溫度變送器
- NB無線壓力變送器
- 電解液無線變送器
- CAT1無線溫濕度變送器
- CAT1無線壓力變送器
- GNSS自動檢測站
- 無線雷達水位計
- 無線流量計
- 無線磁致伸縮液位計
- 無線浮球液位計
- 無線差壓變送器
- 無線溫壓變送器
- 油田專用壓力變送器
高精度壓力表
- 防爆數字壓力表
- 數字壓力控制器
- 計量級數字壓力表
- 精密數字壓力表
- 計量級精密壓力表
- 臺式數字壓力表
- 特殊精密壓力表
- 各類普通壓力表
- 智能數字壓力校驗儀
- 高精度大氣壓力計
- 氣密性測試儀
- 高精度壓力模塊
- 存儲型數字壓力表
流量儀表
- 智能一體式渦街流量計
- 溫壓補償一體化渦街流量計
- 插入式渦街流量計
- 智能氣體渦輪流量計
- MF4003/4008微小氣體流量流量計
- 智能一體式電磁流量計
- 羅茨流量計
- 圓齒輪流量計
- 智能氣體旋進旋渦流量計
- 一體式孔板流量計
- 液晶顯示金屬管轉子流量計
- 就地顯示金屬管轉子流量計
- MF5706/08/12氣體質量流量計
- 手持式超聲波流量計
- 固定外夾式超聲波流量計
- 智能液體渦輪流量計
- 插入式電磁流量計
- 分體式電磁流量計
壓力變送器
熱工校驗儀
- 全自動溫度檢定系統
- 便攜式全自動壓力檢定系統
- 全自動壓力檢定系統
- 高精度溫度顯示儀
- 干體式校驗爐
- 溫度檢定爐
- 恒溫水槽
- 恒溫油槽
- 便攜式熱電偶校驗儀
- 便攜式熱電阻校準儀
- 信號過程校驗儀
- 壓力表檢定附件產品

